Lineargehäuse-
Einheit

 

AGC
 

Einzel, geschlossen

Kompaktausführung
 

dwg

dxf

pdf

 
 
  
 
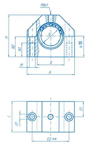
   Abmessungen

 

Gewicht

 

Art. Nr.

Ød
[mm]

ØD
[mm]

A
[mm]

H
[mm]

h
[mm]

L
[mm]

E1
[mm]

E2
[mm]

 Ød1
(mm)

N1
[mm]

N2
[mm]

M
[mm]

[kg]

                           
AGC - 12 12 19 40 33 17 28 14 29 4,3 11 16 M5 0,18
                           
AGC - 16 16 24 45 38 19 30 15 34 4,3 11 18 M5 0,27
                           
AGC - 20 20 28 53 45 23 30 15 40 5,3 13 22 M6 0,32
                           
AGC - 25 25 35 62 54 27 40 20 48 6,6 18 26 M8 0,66
                           
AGC - 30 30 40 67 60 30 50 25 53 6,6 18 29 M8 0,95
                           
AGC - 40 40 52 87 76 39 60 30 69 8,4 22 38 M10 1,82
                           
AGC - 50 50 62 103 92 47 70 35 82 10,5 26 46 M12 2,52
                           

Die Tragzahlen gelten nur bei Einsatz von gehärteten und geschliffenen Wellen

             

 

  Bestellbeispiel
 
  AGC -   Ø -   C -  
     
      C = Linearkugelhülse
   Wellendurchmesser
  Lineargehäuse, geschlossen, kompakt

 

     

 

© Copyright 2005 by Ratio-Cut Lineartechnik GmbH, Lemgo, Deutschland
Irrtümer und technische Änderungen vorbehalten